0216 597 02 02
info@ndtmalzemeleri.com
ARA
Anasayfa
Ürünlerimiz
Radyografik
Ultrasonik
Manyetik
Gözle Muayene
Sertlik
Hakkımızda
İletişim
Sosyal Medya Hesaplarımız
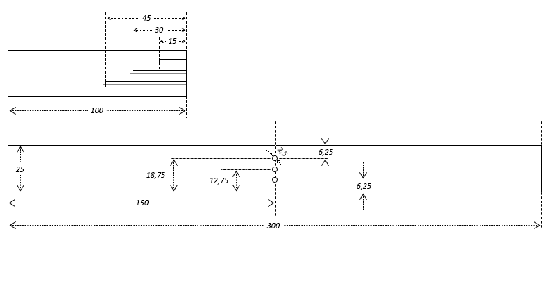
EN ISO 13588 0-25mm Çelik
EN ISO 13588 0-25mm Çelik
Ürün Özellikleri
450 USD (KDV Hariç)
BENZER ÜRÜNLER
İlginizi çekebilecek diğer ürünlerimiz
45° Ultrasonik Prob
70° Ultrasonik Prob
60° Ultrasonik Prob
ULTRASONİK HATA DEDEKTÖRÜ
IŞIK KASASI
KONTROL ÜNİTESİ (SEPET)